ΚΙΤ ΗΛΕΚΤΡΟΦΡΕΝΟ ACM ΓΙΑ ΜΟΝΤΕΛΑ TITAN 200BM-TITAN 240/76 BM-TITAN240/101 BM (ΤΥΠΟΣ PBM)
Περιγραφή
TITAN BM E Φ76 κεντρικός κινητήρας ρολών της Ιταλικής εταιρείας ACM
Είναι ισχυρός και αξιόπιστος μονοφασικός διπλός κεντρικός κινητήρας για την κίνηση ρολών γκαραζόπορτας. Είναι κατάλληλος για άξονα ρολού διαμέτρου Φ76 και βάρος ρολού έως 320 κιλά. Για τους κινητήρες αυτούς παρέχεται εργοστασιακή εγγύηση 5 χρόνια για τη σωστή λειτουργία τους. Τα κεντρικά μοτέρ ρολών ACM διατίθενται σε διάφορους τύπους ανάλογα την ανυψωτική ικανότητά τους και τον άξονα στον οποίο αναφέρονται.
Τεχνικά Χαρακτηριστικά
| Βάρος μηχανισμού | 17 Kg |
| Απορροφημένη ισχύς | 1260 watt |
| Παροχή | 220 – 230 volt |
| Ένταση ρεύματος | 5.4 A |
| Πυκνωτής Εκκίνησης | 40 μF |
| Θερμική προστασία | 160°C |
| Θερμοκρασίες Λειτουργίας | -20 C ~ + 55 C |
| Ταχύτητα κίνησης μοτέρ | 8 rpm |
| Ροπή | 400 Nm |
| Απασφάλιση | Ντίζα Απασφάλισης |
| Λίπανση | Γράσο |
| Τερματικά | 6 m |
| Χρόνος θερμικού | 4 min |
| Βάρος Έλξης | 360 kg |
| Κορόνα | Φ240 mm |
| Τάση λειτουργίας μοτέρ | 220 volt |
| Διατομή Άξονα | Φ76 mm |
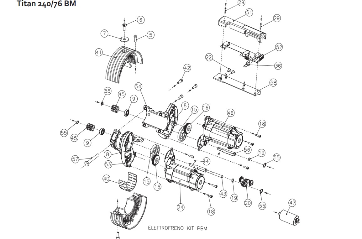
Σχεδιάγραμμα <Α>, εξαρτήματα & ανταλλακτικά για κεντρικά μοτέρ ρολών ACM TITAN E BM
Σχεδιάγραμμα <Β> ηλεκτρόφρενου κινητήρων ACM













